![]() |

|
|
|||||||||||||||||||||||||||||||||||||||||||||||||||||||||||||||||||||||||||||||||||||||||||||||||||||||||||||||||||||||||||||||||||||||||||||||||||||||||||||||||
LYCTJY成套加藥裝置

產品簡述
成套加藥裝置是一種全新概念的化學水處理加藥設備,已在GN外的電力、公工、市政等水處理領域廣泛應用。它是將計量泵、溶藥箱、控制系統及管路閥門等所有設備、組件安裝在同一個底座平臺上,實現溶配藥液、計量投加功能單元的整體組合,具有結構緊湊、占地面積小和易于運輸安裝等特點。
上海龍亞泵閥憑借多年致力于水處理積累的技術和經驗,根據不同水質的處理要求及加藥特點,借鑒和吸收GN外XJ的加藥技術、以高標準提供水處理系統解決方案為產品設計思路,研發推出具有XJ可靠、配置靈活、滿足用戶任意選擇的全新組合式加藥裝置。
功能特性介紹
以系統設計為主體,克服了以單一設備或部件為設計主體的傳統產品存在的系統性差的缺陷.
吸取GN外加藥技術精華,以全新的設計理念,使工藝更優化.
產品結構模塊化設計,一體化組合,可方便地進行能力和功能擴展.
可根據不同的水質和用戶的不同要求,靈活的配置Z佳方案.
GN外多種ZM品P、不同材質、各種檔次的設備及部件,用戶可任意選配.
任選擇手動、自動等多種控制方式,實現不同控制要求
應用范圍
火力發電行業爐水處理系統、循環冷卻系統、原水預處理和廢水處理系統;
石油、化工行業爐水處理系統、循環冷卻系統、化學添加劑投加系統、廢水處理系統;
市政給水、污水處理系統;
其他相關行業液體投加系統.
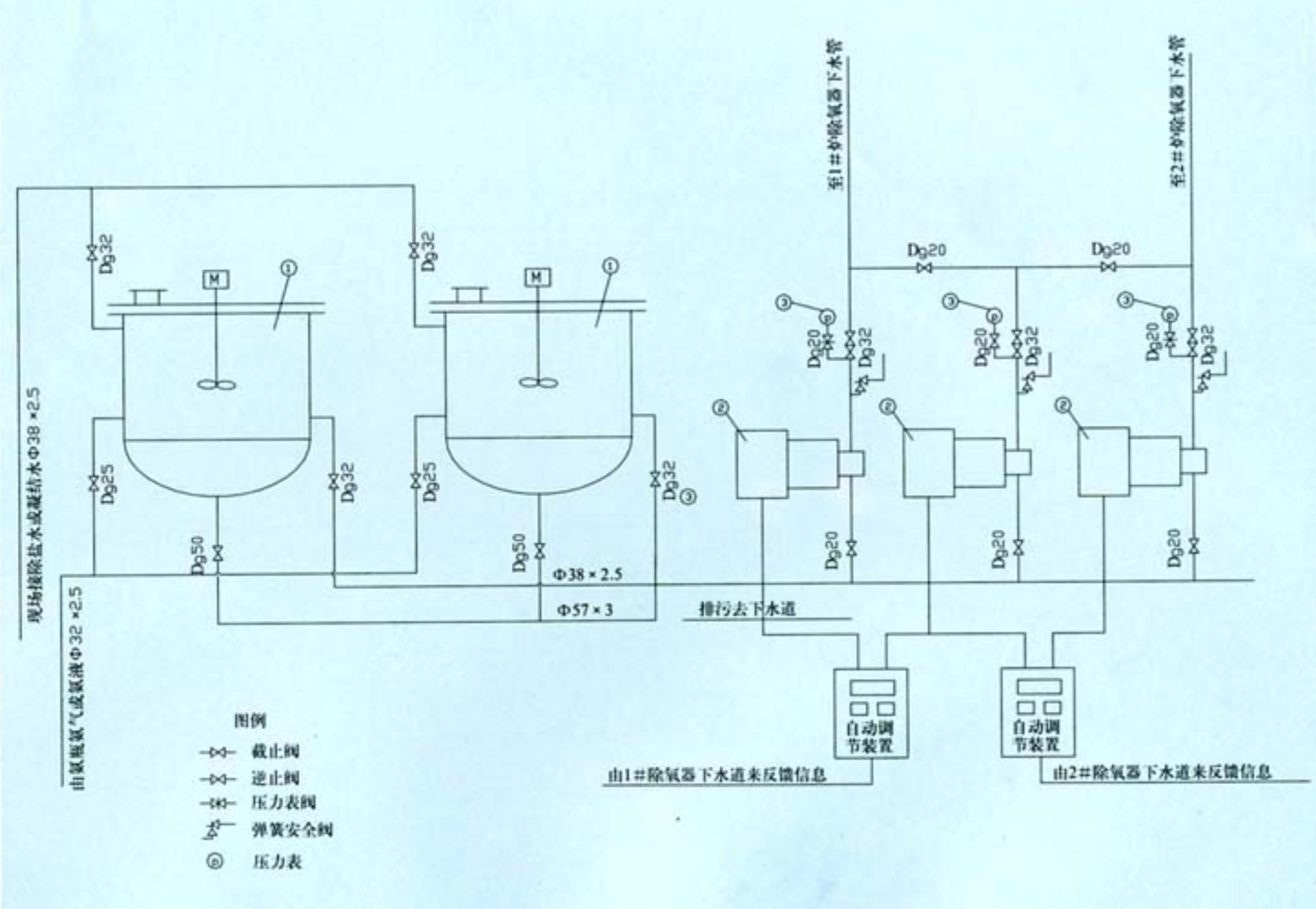
系統示意圖

技術參數
|
裝置名稱 |
組合類型 |
溶藥箱體積m3 |
計量泵 |
加藥方式 |
||
|
種類 |
流量(L/h) |
壓力(Mpa) |
||||
|
聯胺除氧加藥裝置 |
二罐二泵 |
1.0 |
|
30 |
1.6 |
手動 |
|
二罐三泵 |
||||||
|
調節PH值加氨裝置 |
二罐二泵 |
|||||
|
二罐三泵 |
||||||
|
磷酸鹽加藥裝置 |
二罐二泵 |
|||||
|
二罐三泵 |
||||||
|
凝聚劑(助凝劑)加藥裝置 |
二罐二泵 |
1.0 |
|
40 |
0.6 |
手動 |
|
二罐三泵 |
||||||
|
緩蝕劑(阻垢劑)加藥裝置 |
二罐二泵 |
|||||
|
二罐三泵 |
||||||
|
調節PH值加酸(加堿)裝置 |
二罐二泵 |
|||||
|
二罐三泵 |
||||||
|
硫酸亞鐵鍍膜加藥裝置 |
一罐一泵 |
離心式 |
0.8-31 m3/h |
0.4左右 |
手動 |
|
|
二罐二泵 |
轉子泵 |
|||||
選型參數表
|
用戶名稱 |
|||||
|
裝置用途 |
|
數量 套 |
|||
|
運行參數 |
|||||
|
介質名稱 |
|
介質溫度 ℃ |
|||
|
配制濃度 % |
溶液密度 ㎏/m3 |
||||
|
加藥點數 點 |
每點加藥流量 l/h |
||||
|
加藥點背壓 Mpa |
投加距離 m |
||||
|
使用狀態 |
□間斷 |
□連續 |
|||
|
結構參數 |
|||||
|
溶藥箱容積 m3 |
|
||||
|
材質 |
□不銹鋼 □碳鋼 □碳鋼襯膠 □非金屬 □其它 |
||||
|
計量泵種類 |
□機械隔膜 □液壓隔膜 □柱塞泵 |
數量 臺 |
|||
|
計量泵流量 l/h |
計量泵壓 Mpa |
||||
|
控制方式 |
□手動調節 □自動調節 |
||||
|
管道材質 |
□不銹鋼 □碳鋼 □UPVC □其它 |
||||
產品介紹:
中央空調/工業循環冷卻水系統都將面臨腐蝕、結垢和生物粘泥附著三大隱患,導致傳熱效率降低、能耗增加,設備銹蝕、管道堵塞或滲漏等一系列故障隱患,縮短設備壽命周期。目前,消除上述隱患的辦法有多種,如臭氧法、超低頻振動法以及化學凈化法(投加阻垢劑、緩蝕劑和殺菌-滅藻劑)。后者Z為常用,一次性設備投入較低,但對藥劑的投加有一定要求,如適量、均勻、連續或定時,否則可能達不到預期效果,或增加運行費用。實踐表明:采用自動加藥技術及成套設備是提高設備效率、延長使用壽命、減少運行費用、強化管理工作的有效手段。
工作原理:
從系統供回水主管道上分別連接小管道Z自動加藥裝置,形成一個循環管路。裝置通過高精度在線水質檢測設備,跟蹤循環水質變化,并控制加藥泵自動實時定量向水中添加藥劑,達到相對應的水處理效果。同時,裝置檢測循環冷卻水的濃縮倍數,實現定量自動排污,確保冷卻水的濃縮倍數處于經濟合理的范圍內,以充分發揮藥劑作用,節約排污水量。
自動加藥裝置組成:
(一) 定量自動加藥裝置
用途:定量投加阻垢劑、緩蝕劑、殺菌滅藻劑。
配置:
(1) 計量泵(上海龍亞),(也可根據用戶需要選擇其他品P計量泵)。
流量:1.0~20L/hr,壓力0.1/0.5/0.6/0.8/1.0Mpa; 加藥速率可連續設定。
(2) 藥箱PE,60-200L(容積可擴大Z500L),附液位下限開關;
(3) 定量注水-配藥系統(選項)根據濃縮藥液或粉劑數量設定注水量,自動注水配置藥液;
(4) 攪拌機(選項)交流單相電容電機220V/50Hz;不銹鋼軸、PVC或不銹鋼葉輪;
根據補水流量信號按比例加藥。
(二)濃縮倍數保持系統
用途:在線監測循環水電導率,連續顯示水體中可溶性物質濃度變化情況。當電導率到達上限設定值
(與Z適濃縮倍數對應)時自動開啟排污電磁閥;當電導率回復到下限設定值時關閉電磁閥,停止排污。
配置:
(1) 在線式電導率檢測儀1套(傳感器安裝在工藝管道上或流動測量池中)
(2) 補水流量計:電遠傳水表(DN80以下)或葉輪式流量傳感器(DN80以上)
(3) 排污閥:電磁閥(DN80以下)或電動閥(DN80以上)
(三)控制箱
用途:實現上述子系統自動化操作,包括:
(1) 按補水流量比例控制2組或3組定量加藥裝置;自周一Z周日每天設置3段時間定時加藥。
(2) 自動排污
(3) 藥箱液位底限報警、自動停泵
(4) 攪拌機運行控制(選項)
(5) 配藥注水量控制(選項)
(6) ‘手動-自動’操作轉換
配置:
(1)可編程控制器LOGO-PLC(西門子)
(2) 輔助電器
產品特點:
♦ 以系統共設計為主體,克服了以單一設備或部件為設計主體的傳統產品存在的系統性差的缺陷;
♦ 吸取GW加藥裝置的精華,以全新的設計理念,使工藝更優化;
♦ 產品結構模塊化設計,一體化組合,可方便地進行能力和功能擴展;
♦ 可根據不同的水質和用戶的不同要求,靈活的配置Z佳方案;
♦ GN外多種ZM品P、不同材質、各種檔次的設備及部件,用戶可任意選配;
♦ 任選擇手動、自動等多種控制方式,實現不同控制要求。