![]() |

|
|
||||||||||||||||||||||||||||||||||||||||||||||||||||||||||||||||||||||||||||||||||||||||||||||||||||||||||||||||||||||||||||||||||||||||||||||||||||||||||||
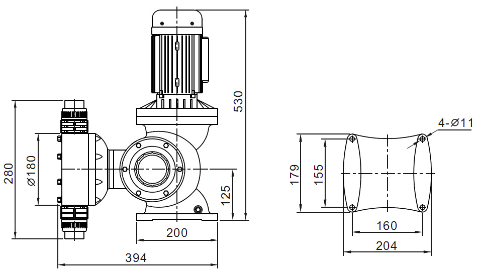
GB系列電動機驅動機械隔膜計量泵

產品描述
流量范圍:0-1600 L/H
壓力范圍: 0-0.6MPA
電機功率: 750W, 1.1KW, 1.5KW, 220V / 380V, 50/60Hz,
驅動系統: 兩相、三相標準電機或防爆電機
防護等級: IP55
流量控制:手動控制, 自動控制(接收4-20mA 信號)
材料
泵頭: SUS304, SUS316, PVC, PTEF
隔膜: PTFE
單向閥: SUS304, SUS316, PVC, PTEF
閥球: ZrO2, SUS304, SUS316, 陶瓷
工作條件
環境溫度: -30℃ ---60℃
以下為新款技術參數表:
|
型號 |
流量L/h |
壓力Mpa |
沖次(min-1) |
電機功率(kw) |
進出口徑 (mm) |
重量(kg) |
|
GB 380/0.6 |
380 |
0.6 |
48 |
0.75 |
DN25 |
40 |
|
GB 500/0.6 |
500 |
0.6 |
96 |
0.75 |
||
|
GB 650/0.6 |
650 |
0.6
|
96
|
1.1
|
||
|
GB 850/0.5 |
850 |
0.5 |
144 |
1.1 |
||
|
GB 1000/0.4 |
1000 |
0.4 |
144 |
1.1 |
||
|
GB 1400/0.3 |
1400 |
0.3 |
144 |
1.5 |
DN40 |
50 |
|
GB 1800/0.3 |
1800 |
0.3 |
144 |
1.5 |
50 |
老款技術參數:
|
型號 |
流量L/h |
壓力Mpa |
沖次(min-1) |
電機功率(kw) |
進出口徑 (mm) |
重量(kg) |
|
GB 380/0.6 |
380 |
0.6 |
96 |
0.75 |
DN25
|
40
|
|
GB 500/0.6 |
500 |
0.6 |
96 |
0.75 |
||
|
GB 800/0.5 |
800 |
0.5 |
144 |
0.75 |
||
|
GB 1000/0.4 |
1000 |
0.4 |
144 |
1.1 |
||
|
GB 1400/0.3 |
1400 |
0.3 |
144 |
1.5 |
DN40 |
50 |
|
GB 1600/0.3 |
1600 |
0.3 |
144 |
1.5 |
50 |
以下為GB系列電動機驅動機械隔膜計量泵2015新款參數表:
|
型號 |
流量 |
壓力 |
|
(系列) |
(L/h) |
(Mpa) |
|
GB0080 |
82 |
1.0 |
|
GB0180 |
167 |
1.0 |
|
GB0250 |
237 |
1.0 |
|
GB0350 |
337 |
1.0 |
|
GB0450 |
416 |
1.0 |
|
GB0500 |
464 |
0.7 |
|
GB0600 |
583 |
0.7 |
|
GB0700 |
656 |
0.35 |
|
GB1000 |
946 |
0.35 |
|
GB1200 |
1181 |
0.35 |
|
GB1500 |
1500 |
0.3 |
|
GB1800 |
1800 |
0.3 |
特點
1、鑄鋁殼體,散熱性能高,整體重量輕,適用各種酸堿藥液,無毒無味。
2、該系列計量泵采用凸輪機構.整體上完全無泄露,可安置于藥槽或管道上。
3、接觸介質泵頭為PVC、可選PTFE、及不銹鋼材質。
4、XJB高,普遍適用于,壓力要求不高的水處理行業。
5、在泵運行或停止時也可任意調節流量也可定量輸出。
6、隔膜為多層復合結構壓制而成,DY層超韌性Teflon耐酸薄膜,第二層EPDM彈性橡膠,第三層厚度3.mm SUS304支撐鐵芯,第四層采用強化尼龍纖維補強,第五采用EPDM彈性橡膠完全包履,可有效提升隔膜使用壽命。
應用
GB系列電動機驅動機械隔膜計量泵廣泛應用于石油化學工業、醫藥、飲食、火電廠、核電、環境保護、礦山、國防等科研和生產部門。

上海龍亞GB系列電動機驅動機械隔膜計量泵部分客戶案例

