![]() |

|
|
|||||||||||||||||||||||||||||||||||||||||||||||||||||||||||||||||||||||||||||||||||||||||||||||||||||||||||||||||||||||||||||||||||||||||||||||||||||||||||||||||||||||||||||||||||||||||||||||||||||||||||||||||||||||||||||||||||||||||||||||||||||||||||||||||||||||||||||||||||||||||||||||||||
J-Z系列柱塞式計量泵(高壓加藥泵)

產品介紹
流量范圍: 0-470L/H
壓力范圍: 0-50Mpa
電機: 0.55KW, 0.75KW, 220V / 380V / 400V, 50/60Hz
驅動系統:兩相、三相電機或防爆電機
流量控制:手動控制, 自動控制
防護等級: IP55,IP54
材料
泵頭: SUS304, SUS316,SUS304+PTFE,SUS316+PTFE
隔膜: PTFE
單向閥: SUS304, SUS316, PVC, PTEF
閥球: 氧化鋯, SUS304, SUS316, 陶瓷, 二氧化硅
工作條件
環境溫度: -30℃ --- 90℃
新款技術參數表:
| 型號MODEL | 流量(L/H) | 電機功率 | 柱塞直徑 (mm) |
行程 (mm) |
泵速 (min-1) |
進出口徑 (DN) |
重量(kg) | |
| 0.55kw | 0.75kw | |||||||
| 壓力(Mpa) | ||||||||
| J-Z□/40/32 | 6 | 32 | 40 | 8 | 25 | 96 | 6 接管套 |
42 |
| J-Z□/25/20 | 10 | 20 | 25 | 10 | ||||
| J-Z□/20/15 | 15 | 15 | 20 | 12 | ||||
| J-Z□/10/8.0 | 25 | 8.0 | 10 | 16 | ||||
| J-Z□/6.3/5.4 | 40 | 5.4 | 6.3 | 20 | ||||
| J-Z□/4.5/3.5 | 65 | 3.5 | 4.5 | 25 | 10 接管套 |
45 | ||
| J-Z□/3.6/2.8 | 80 | 2.8 | 3.6 | 28 | ||||
| J-Z□/2.8/2.0 | 110 | 2.0 | 2.8 | 32 | ||||
| J-Z□/2.3/1.7 | 130 | 1.7 | 2.3 | 35 | ||||
| J-Z□/2.0/1.5 | 160 | 1.5 | 2.0 | 38 | 15 接管套 |
50 | ||
| J-Z□/1.6/1.2 | 190 | 1.2 | 1.6 | 42 | 50 | |||
| J-Z□/1.4/1.0 | 210 | 1.0 | 1.4 | 45 | 55 | |||
| J-Z□/1.1/0.8 | 270 | 0.8 | 1.1 | 50 | 50 | |||
| J-Z□/0.9/0.6 | 330 | 0.6 | 0.9 | 55 | 20 接管套 |
55 | ||
| J-Z□/0.8/0.5 | 400 | 0.5 | 0.8 | 60 | ||||
| J-Z□/0.6/0.4 | 470 | 0.4 | 0.6 | 65 | ||||
老款技術參數:
|
型號 |
流量 |
壓力 |
柱塞直徑 |
行程 |
沖次 |
電機功率 |
進出口徑 |
重量 |
|
L/H |
MPA |
mm |
mm |
min-1 |
kw |
mm |
kg |
|
|
J-Z□/40 |
6 |
40 |
8 |
25 |
96 |
0.75 |
6 |
42 |
|
J-Z□/32 |
6 |
32 |
0.55 |
|||||
|
J-Z□/25 |
10 |
25 |
10 |
0.75 |
||||
|
J-Z□/20 |
10 |
20 |
0.55 |
|||||
|
J-Z□/20 |
15 |
20 |
12 |
0.75 |
||||
|
J-Z□/15 |
15 |
15 |
0.55 |
|||||
|
J-Z□/10 |
25 |
10 |
16 |
0.75 |
||||
|
J-Z□/8.0 |
25 |
8.0 |
0.55 |
|||||
|
J-Z□/6.3 |
40 |
6.3 |
20 |
0.75 |
||||
|
J-Z□/5.4 |
40 |
5.4 |
0.55 |
|||||
|
J-Z□/4.5 |
65 |
4.5 |
25 |
0.75 |
10 |
45 |
||
|
J-Z□/3.5 |
65 |
3.5 |
0.55 |
|||||
|
J-Z□/3.6 |
80 |
3.6 |
28 |
0.75 |
||||
|
J-Z□/2.8 |
80 |
2.8 |
0.55 |
|||||
|
J-Z□/2.8 |
110 |
2.8 |
32 |
0.75 |
||||
|
J-Z□/2.0 |
110 |
2.0 |
0.55 |
|||||
|
J-Z□/2.3 |
130 |
2.3 |
35 |
0.75 |
||||
|
J-Z□/1.7 |
130 |
1.7 |
0.55 |
|||||
|
J-Z□/2.0 |
160 |
2.0 |
38 |
0.75 |
15 |
50 |
||
|
J-Z□/1.5 |
160 |
1.5 |
0.55 |
|||||
|
J-Z□/1.6 |
190 |
1.6 |
42 |
0.75 |
||||
|
J-Z□/1.2 |
190 |
1.2 |
0.55 |
|||||
|
J-Z□/1.1 |
270 |
1.1 |
50 |
0.75 |
||||
|
J-Z□/0.8 |
270 |
0.8 |
0.55 |
|||||
|
J-Z□/0.9 |
330 |
0.9 |
55 |
0.75 |
||||
|
J-Z□/0.6 |
330 |
0.6 |
0.55 |
|||||
|
J-Z□/0.8 |
400 |
0.8 |
60 |
0.75 |
||||
|
J-Z□/0.5 |
400 |
0.5 |
0.55 |
|||||
|
J-Z□/0.6 |
470 |
0.6 |
65 |
0.75 |
||||
|
J-Z□/0.4 |
470 |
0.4 |
0.55 |
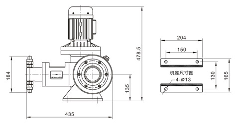
安裝尺寸圖

工程案例
